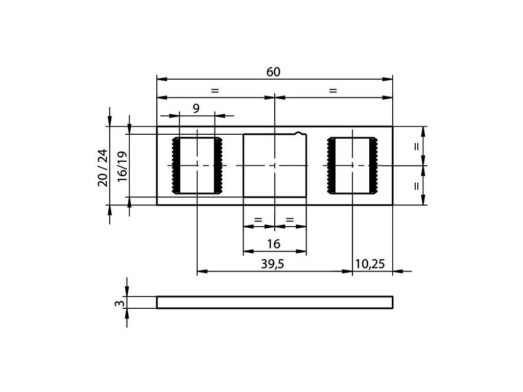
N6901 HORNÍ PROTIPLECH
Kód: AA001420Detailní popis produktu
Horní protiplech N6901 je součást dveřního kování, která se používá v bezpečnostních a panikových systémech. Zde jsou klíčové informace o tomto produktu:
- Účel: Protiplech slouží jako protikus pro zámek nebo rozvorovou tyč, což umožňuje jejich pevné zajištění a zvyšuje bezpečnost dveří. Je umístěn v horní části dveřního rámu.
- Materiál: Obvykle je vyroben z odolného kovu, jako je ocel nebo nerezová ocel, aby zajistil dlouhou životnost a odolnost vůči mechanickému opotřebení a povětrnostním vlivům.
- Design: Konstruován tak, aby byl snadno instalovatelný a kompatibilní s různými typy zámků a rozvorových systémů. Jeho povrchová úprava může být přizpůsobena estetickým požadavkům interiéru.
- Kompatibilita: Je navržen pro použití s konkrétními modely zámků a rozvorových tyčí, a je součástí kompletního systému dveřního kování.
Buďte první, kdo napíše příspěvek k této položce.
Přidat komentář
-3.png)