Zadlabací zámek mechanický vložkový - s panikovou funkcí pro dvoukřídlé dveře NEMEF 1901 - aktivní křídlo
Kód: 286312001001220Související produkty
Detailní popis produktu
Popis
- panikový zámek dle norem EN1125 a EN179
- zámek pravo/levý použití do aktivního křídla dveří
- ovládání přes cylindrickou vložku
- paniková funkce: v uzamčené pozici se střelka zatahuje z vnitřní strany stiskem kliky, z venkovní strany pouze klíčem
- varianta klika/klika - dělený ořech
Technické parametry
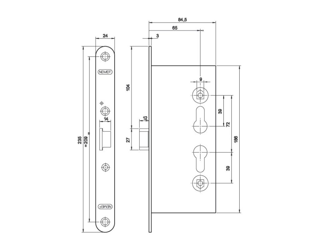
- rozteč 72mm
- backset 65mm
- hloubka zádlabu 84,5mm
- šířka čela 24mm
- výška čela 235mm
- tloušťka čela 3mm
- horní ořech dělený 9mm
Doplňkové parametry
| Kategorie: | Panikové zámky ASSA ABLOY |
|---|---|
| BACKSET: | 65mm |
| PROTIPOŽÁRNÍ: | ano |
| ROZTEČ: | 72mm |
| ORIENTACE: | pravo/lévý |
| PANIKOVÝ: | ano |
| SAMOZAMYKACÍ: | ne |
| ŠÍŘKA ČELA: | 24mm |
| VARIANTA: | klika/klika |
Buďte první, kdo napíše příspěvek k této položce.
Přidat komentář
-3.png)